快速详情
产地:广东,中国(大陆)
品牌名称:Unionwell
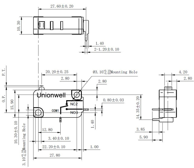
型号:G5T16-R1P200U
端子类型:右侧面PCB端子
接触类型:单极单投-常开
公司保证体系:ISO9001和IATF16949和ISO14001
应用:家用电器,电子设备,自动化设备,
通信设备,汽车电子,仪器仪表和电动工具。
特征
- 结构紧凑,小触点间隙,快速动作
- 长寿命,高可靠性
- 全球安全认证
- 各种终端
- 动作力范围宽:(7gf-600gf)
- 多温度等级(-40℃〜+ 150℃),200℃可选
- 可选PTI等级(175v,250v,600v)
- 各种操作柄
特性参数
工作速度:0.1mm-1m / s(与执行器形式有关)
工作频率: 机械60次/分钟;电气15次/分钟。
绝缘电阻:≥100MΩ(500VDC)
接触电阻:≤100MΩ(初始值)
耐电压在相同极性的每个端子之间:AC1000V,50 / 60HZ,1min。
耐电压-带电压属零件与外壳之间,接线端与易触及的不带金属件之间:AC1500V,50 / 60HZ,1min。
抗振动:10-55HZ,1.5mm双倍振幅
抗冲击:OF> 0.5N:1000m / s2(约100G)max。
破坏:OF> 0.5N:最大200m / s2(约20G)
寿命:机械≥10,000,000次或1,000,000次
电气≥50,000次或100,000次
产品图纸
